-
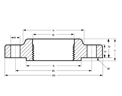
Mar 12, 2024ASME B16.5 Gevindflange Klasse 2500 i tommerGEVINDKLASSE 2500 Gevindflangemål klasse 2500 i tommer (ASME B16.5) For ASME B16.5 Gevindflanger kan dimensionerne variere baseret på den nominelle rørstørrelse (NPS) og trykklasse -
Mar 12, 2024ASME B16.5 Gevindflange Klasse 1500 i tommerKLASSE med gevind 1500 Gevindflangemål klasse 1500 i tommer (ASME B16.5) For ASME B16.5 gevindflanger kan dimensionerne variere baseret på den nominelle rørstørrelse (NPS) og trykk -
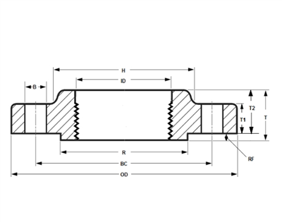
Mar 12, 2024ASME B16.5 Gevindflange Klasse 900 i tommerGEVINDET KLASSE 900 Gevindflangedimensioner klasse 900 i tommer (ASME B16.5) Klasse 900 gevindflanger: Nominel rørstørrelse (NPS): Spænder fra 1/2 tomme (DN 15) til 24 tommer (DN 6 -
Mar 12, 2024ASME B16.5 gevindflange klasse 600 i tommerGEVINDET KLASSE 600 Gevindflangemål klasse 600 i tommer (ASME B16.5) For ASME B16.5 gevindflanger i klasse 600 kan dimensionerne variere baseret på flangens nominelle rørstørrelse -
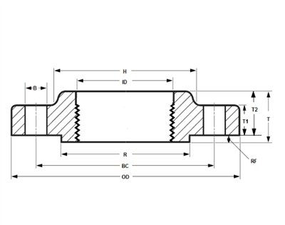
Mar 12, 2024ASME B16.5 Gevindflange Klasse 400 i tommerASME B16.5 Gevindflange Klasse 400 i tommer -
Mar 12, 2024ASME B16.5 gevindflange klasse 300 i tommerASME B16.5 gevindflange klasse 300 i tommer -
Mar 12, 2024ASME B16.5 gevindflange klasse 150 i tommerASME B16.5 gevindflange klasse 150 i tommer -
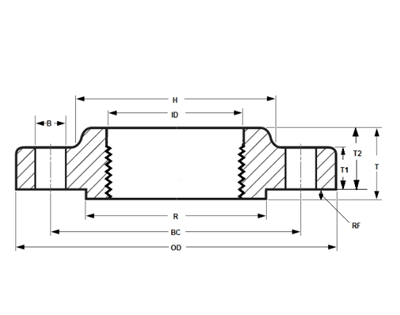
Mar 12, 2024Dimensioner af klasse 2500 svejsehalsflangeHer er de omtrentlige dimensioner for en klasse 2500 svejsehalsflange i henhold til ASME B16.5-standarder, i tommer: Nominel rørstørrelse (NPS): Rækker fra 1/2 tomme (DN 15) til 24 -
Mar 12, 2024Dimensioner af klasse 1500 svejsehalsflangeHer er de omtrentlige dimensioner for en klasse 1500 svejsehalsflange i henhold til ASME B16.5-standarder, i tommer: Nominel rørstørrelse (NPS): Rækker fra 1/2 tomme (DN 15) til 24 -
Mar 12, 2024Dimensioner af klasse 900 svejsehalsflangeKlasse 900 svejsehalsflangedimensioner overholder ASME B16.5-standarderne, og de varierer baseret på flangens nominelle rørstørrelse (NPS). Her er de generelle dimensioner for en k -
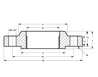
Mar 12, 2024Dimensioner af klasse 600 svejsehalsflangeKlasse 600 svejsehalsflangedimensioner, i overensstemmelse med ASME B16.5 standarder, varierer baseret på den nominelle rørstørrelse (NPS) af flangen. Nedenfor er de generelle dime -
Mar 12, 2024Dimensioner af klasse 400 svejsehalsflangeKlasse 400 svejsehalsflangedimensioner følger ASME B16.5 standarden, og ligesom andre trykklasser vil dimensionerne variere afhængigt af flangens nominelle rørstørrelse (NPS). Her





